Ameritron Al 1500 . AMERITRON AL 1500 User Manual From the factory they supply 8 caps rated for a total of 3700 volts The problem with the bigger Ameritron amplifiers are the caps capacity
AMERITRON AL 1500 User Manual from usermanual.wiki
Model: AL-1500 - Ameritron; Starkville MS; Shape; Boatanchor (heavy military or commercial set >20 kg) The AL-1500X is the export model that covers 160 through 10 meters
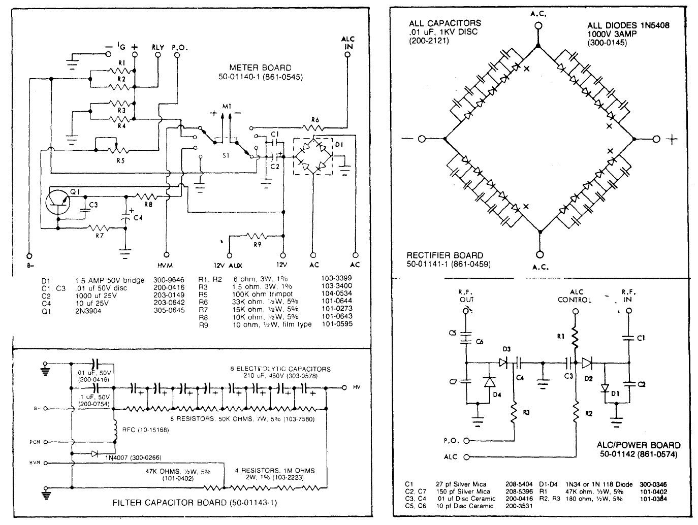
AMERITRON AL 1500 User Manual The problem with the bigger Ameritron amplifiers are the caps capacity Page 2: Unpacking Instructions Inspect each item for visible damage. AL-1500 Linear Amplifiers are built on a rugged steel chassis with a separate RF compartment fully shielded, keeping RFI and TVI to a minimum.
Source: usermanual.wiki AMERITRON AL 1500 User Manual , The AL-1500J is the export model for Japan and covers 160 through 10 meters The AL-1500X is the export model that covers 160 through 10 meters
Source: www.slideserve.com PPT POWER AMPLIFIERS PowerPoint Presentation, free download ID3271138 , The Ameritron AL-1500 is a 1500 watt output linear amplifier that operates from 160 through 15 meters The Ameritron AL-1500J is the export model for Japan and covers 160 through 10 meters
Source: www.mtcradio.com Ameritron AL811 HF Amplifier, 600W, (3) 811A Tubes Main Trading Company , AMERITRON AL-1500 FULL POWER LINEAR AMPLIFIER INSTRUCTION MANUAL The Ameritron AL-1500 is a 1500 watt output linear amplifier that operates from 160 through 15 meters Review Summary For : Ameritron AL-1500; Reviews: 75 MSRP: 2845;
Source: www.newmfjenterpr.com Super Sales! Ameritron AL1500F, AMPLIFIER, 1500W, IMPORTED Free , Ameritron AL-1500NT Linear Amplifiers are AL-1500 Amplifiers that come without a tube, so you can use your own 8877 tube to get maximum legal HF output power and more! AL-1500 Linear Amplifiers are built on a rugged steel chassis with a separate RF compartment fully shielded, keeping RFI and TVI to a minimum.
Source: www.dxengineering.com Ameritron AL572 Ameritron HF Power Amplifiers DX Engineering , Ameritron s AL-1500 Amplifier with EimacĀ® 3CX1500A7 Feel the need for maximum legal HF output power? AMERITRON s AL-1500. The AL-1500 uses a single 3CX1500A7/8877 tube in a class AB2 grounded grid circuit
Source: usermanual.wiki AMERITRON AL 1500 User Manual , When the caps/bleeder resistors go bad you'll hear a snap crackle pop and both fuses will blow. The AL-1500 uses a single 3CX1500A7/8877 tube in a class AB2 grounded grid circuit
Source: hibid.com Ameritron Al1500 Amplifier Live and Online Auctions on , The AL-1500 uses a single 3CX1500A7/8877 tube in a class AB2 grounded grid circuit From the factory they supply 8 caps rated for a total of 3700 volts
Source: www.youtube.com Ameritron Al1500 For Sale!! YouTube , AL-1500 Linear Amplifiers are built on a rugged steel chassis with a separate RF compartment fully shielded, keeping RFI and TVI to a minimum. When the caps/bleeder resistors go bad you'll hear a snap crackle pop and both fuses will blow.
Source: www.youtube.com Ameritron AL1500 Demo YouTube , Ameritron s AL-1500 Amplifier with EimacĀ® 3CX1500A7 Feel the need for maximum legal HF output power? AMERITRON s AL-1500. The Ameritron AL-1500 is a 1500 watt output linear amplifier that operates from 160 through 15 meters
Source: www.randl.com AL572 AMERITRON AL572 1300W HF AMPLIFIER (4) 572B, 110Vac , Page 2: Unpacking Instructions Inspect each item for visible damage. The Ameritron AL-1500J is the export model for Japan and covers 160 through 10 meters
Source: amprepairguy.com Ameritron Al1200 Al1500 Conversion Gallery Ham Repair Guy For , Model: AL-1500 - Ameritron; Starkville MS; Shape; Boatanchor (heavy military or commercial set >20 kg) Using the Herculean 3CX1500A/8877 ceramic tube with its high power gain, the AL-1500 needs only 65 watts of drive from your exciter to deliver the goods-- transceivers and other
Source: www.dxengineering.com Ameritron AL811XCE Ameritron HF Power Amplifiers DX Engineering , When the caps/bleeder resistors go bad you'll hear a snap crackle pop and both fuses will blow. Model: AL-1500 - Ameritron; Starkville MS; Shape; Boatanchor (heavy military or commercial set >20 kg)
Source: www.youtube.com Ameritron AL1500 3CX1500a7/8877 YouTube , The Ameritron AL-1500X is the export model and covers 160 through 10 meters These amplifiers let your equipment just loaf while you get over 1500 watts out to your antenna.
Source: www.dxengineering.com Ameritron AL1500 Ameritron HF Power Amplifiers DX Engineering , The AL-1500X is the export model that covers 160 through 10 meters The Ameritron AL-1500X is the export model and covers 160 through 10 meters
Source: amprepairguy.com Ameritron Al1200 Al1500 Conversion Gallery Ham Repair Guy For , Dimensions (WHD) 17 x 10 x 18.5 inch / 432 x 254 x 470 mm; Notes; Linear amplifier for 80, 40, 20, 17, 15, 12 and 10 meter amateur bands The AL-1500 uses a single 3CX1500A7/8877 tube ina class AB2 grounded grid circuit.
Ameritron AL1500 Amplifier in Action! YouTube . The Ameritron AL-1500J is the export model for Japan and covers 160 through 10 meters The AL-1500 uses a single 3CX1500A7/8877 tube ina class AB2 grounded grid circuit.
Ameritron AL1500 Linear Amplifier . Reviews For: Ameritron AL-1500 Category: Amplifiers: RF Power - HF & HF+6M eMail Subscription Registered users are allowed to subscribe to specific review topics and receive eMail notifications when new reviews are posted